Grandstream GXP1610
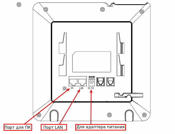
Подключаем телефон к локальной сети (порт LAN), подключаем адаптер питания. При необходимости компьютер подключаем в порт PC.

После того, как телефон был подключен к сети, нужно узнать его IP адрес
• если телефон подключен к сети с автоматическим назначением IP адресов, - нажмите центральную кнопку на "джойстике" телефона. Зайдите в подменю Status → Network Status и вы увидите, полученный IP адрес;
• если телефон подключен к сети со статическим назначением IP адресов, - после настройки сетевого интерфейса компьютера, следует использовать IP адрес телефона по умолчанию - 192.168.0.160
IP адрес телефона необходимо ввести в вашем браузере. Откроется Web-интерфейс телефона. Далее оборудование запросит логин и пароль для авторизации.
Логин по умолчанию — admin. Пароль по умолчанию — admin.
Для удобства конфигурации есть возможность перейти на русский язык:


Далее откроется страница → Состояние учетной записи (Account Status). Нужно перейти по вкладкам Учетные записи → Аккаунт 1 → Общее.

В открывшейся странице необходимо заполнить следующие поля:
• Аккаунт активен – Да;
• Имя аккаунта – Ваш логин, можно ввести любое имя;
• SIP сервер – ats.sprintinet.ru;
• SIP User ID – Ваш логин;
• Пароль – Ваш пароль;
• Имя – Отображаемое имя при звонках.
Нажимаем кнопку "Сохранить и применить"

Учетные данные (Логин и Пароль) вы можете посмотреть в личном кабинете для просмотра пароля нажмите на значок глаза.
Если все данные введены верно, - во вкладке Состояние → Состояние учетной записи, SIP регистрация изменит состояние на зеленый цвет с надписью ДА

На этом процесс настройки завершен!
Заглавная страница